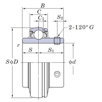
Specifications
- AIMS SKU A0104836
- Brand FYH
- Model Number UCX05/FYH
- C (mm) 19
- C1 (mm) 5
- Dynamic Radial Load Rating 19.5
- Static Radial Load Rating 11.3
- r (min) mm 1
- S (mm) 15.9
- S1 (mm) 22.2
- S2 (mm) 6
- Shaft Diameter (d) mm 25
- Nominal Bearing Outer (D) mm 62
- Nominal Inner Ring Width (B) mm 38.1
- Type Ball Bearing Inserts
- System of Measurement Metric
- Series UCX
- Item Type Grub Screw Ball Bearing
SKU: A0104836
FYH Ball Bearing Inserts UCX05 Grub Screw, 25mm Shaft Diameter
Ball Bearing Inserts UCX Series Grub Screw
$44.74
