Skip to main content

Description

*** JTEKT (formerly Koyo Brand) ***

Angular Contact Ball Bearing (7000-7300 Series)

  • Angular contact ball bearings are suitable for applications that require high accuracy and good high-speed performance.
  • This type of bearing is designed to carry a combined load.
  • 7000-7300 Series.

About Angular Contact Ball Bearing

Single-row angular contact ball bearings and matched pair angular contact angle contact ball bearings.

  • Single-row angular contact ball bearings accommodate radial load and axial load in one direction.
  • Bearings with a machined cage are suitable for high-speed applications.
  • The standard contact angles are 15¬∞, 30¬∞, and 40¬∞.
  • They are identified, respectively, by the supplementary codes "C", "A" (omitted), and "B".
  • Bearings with a smaller contact angle are more suitable for applications involving high-speed rotation.
  • Those with a larger contact angle feature superior axial load resistance.
  • Angular contact ball bearings are often preloaded to enhance their rigidity and rotating performance.
  • For high-precision matched pair angular contact ball bearings of class 5 or higher, which are used in machine tools and other precision equipment, the standard preload is
    specified in three levels: slight (S), light (L), medium (M), and heavy (H).
  • When this type of bearing is loaded radially, an axial component of force is produced.
  • In this case, two bearings are used together facing one another, or two or more bearings are matched and used.

Double-row angular contact ball bearing

  • Consist of two single-row angular contact ball bearings matched back-to-back, with inner and outer rings integrated.
  • Accommodates radial load and axial load in both directions.
  • Also able to accommodate moment load.

Features Deep Groove Radial Bearing

  • The contact angle between the bearing balls and rings is normally 15, 30, or 40 degrees.
  • The larger contact angle bearings have greater thrust load capacity.
  • Single row bearings can accommodate radial load and axial load in one direction only.
  • Double row matched bearings can accommodate radial load and axial load in either direction.
  • The DT double tandem arrangement should be used for higher axial loads.
  • Angular contact bearings can provide a high degree of accuracy and are capable of running at high speed.
  • Cages can be pressed steel, machined copper alloy, molded polyamide, and machined synthetic resin.

Main Applications

  • Automotive: Front wheel bearings, transmissions, differential pinion shaft.
  • Electrical: High frequency motors.
  • Industrial Equipment: Machine tool spindles, pumps, gas turbines, centrifugal separators, and Printing equipment.

Specifications

  • AIMS SKU A0153288
  • Brand Koyo
  • Model Number 7001/KOYO
  • Boundary Dimension (mm) r min. 0.3
  • Load Center (mm) A 9.9
  • Limiting Speed 1) (min-1) Oil lub. 37000
  • Limiting Speed 1) (min-1) Grease lub. 29000
  • Fatigue Load Limits (kn) Cu With Pressed Cage 0
  • Fatigue Load Limits (kn) Cu With Machine Cage 0.14
  • Basic Load Rating (kn) W/ Pressed Cage C0r 0
  • Basic Load Rating (kn) W/ Machine Cage C0r 2.75
  • Basic Load Rating (kn) W/ Machine Cage Cr 0
  • Bore Diameter x Outer Diameter x Width (mm) 12 x 28 x 8
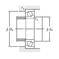
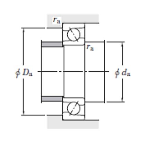
  • Mounting Dimension (mm) Ra Max. 0.3
  • Mounting Dimension (mm) Da Max. 25.5
  • Mounting Dimension (mm) Da Min. 14.5
  • Factor F 0 0
  • Boundary Dimension (mm) r1 min. 0.15
  • Bearing Width B (mm) 8
  • Outside Diameter D (mm) 28
  • Bore Diameter d (mm) 12
  • Type Angular Contact Ball Bearings
  • Series 7000-7300 Series
SKU: A0153288

Koyo/JTEKT 7001 Angular Contact Ball Bearing 12 x 28 x 8mm

Angular Contact Ball Bearing (7000-7300 Series)

Choose a different size/variant

Calculate Shipping

Browse other products under

Angular Contact Bearings

Browse other products by

Koyo

Reviews

Write a product review!

Help other AIMS Industrial Supplies users shop smarter by writing reviews for products you have purchased.

Write a product review