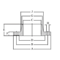
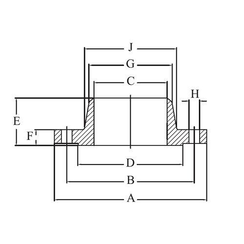
Specifications
- AIMS SKU A0078868
- Brand AAP
- Model Number PFW50X
- Pipe Size (inch) 2"
- Approx. Weight kg/pc 2.7
- Flange Outside Diameter (A) 152.5
- Flange Thickness (F) 19.1
- Flange Raised Face Diameter (D) 92
- Flange Raised Faced Thickness 1.6
- Drilling Bolt Circle Diameter (B) 120.6
- Drilling Holes Diameter (H) 20
- Drilling No. Of Holes 4
- Drilling Bolt Size 5/8"
- Hub Diameter (J) 77.8
- Bore Slip-on Socket Length (C) 49.3
- Weld Neck Length (E) 63.6
- Hub Diameter at Bevel (G) 60.5
- Type Weld Neck Flange
- Fitting Schedule/class C150
SKU: A0078868
AAP 2" Weld Neck Flange XS ANSI B16.5 C150 PFW50X
AAP - Weld Neck flange
$47.03
SAVE $43.40 (48%)
