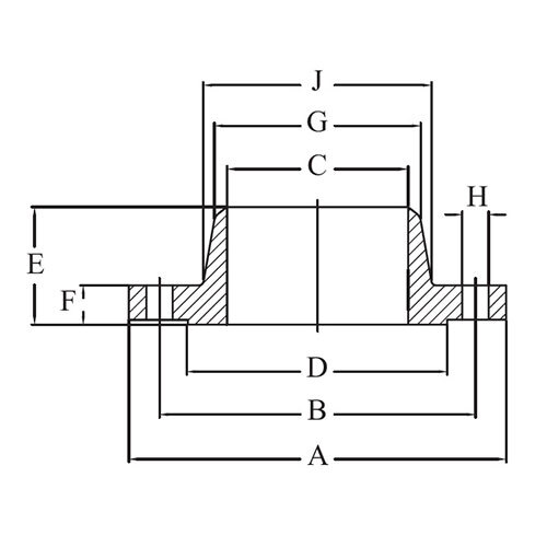
Specifications
- AIMS SKU A0078982
- Brand AAP
- Model Number P6FW25X
- Pipe Size (inch) 1"
- Approx. Weight kg/pc 1.8
- Flange Outside Diameter (A) 123.8
- Flange Thickness (F) 23.8
- Flange Raised Face Diameter (D) 50.9
- Flange Raised Faced Thickness 6.3
- Drilling Bolt Circle Diameter (B) 88.9
- Drilling Holes Diameter (H) 20
- Drilling No. Of Holes 4
- Drilling Bolt Size 5/8"
- Hub Diameter (J) 54
- Slip-on Length (C) 68.2
- Type Weld Neck Flange
- Fitting Schedule/class C600
SKU: A0078982
AAP 1" Weld Neck Flange ANSI B16.5 C600 P6FW25X
AAP - Weld Neck flange
$31.35
SAVE $28.94 (48%)
