Specifications
- AIMS SKU A0078389
- Brand AAP
- Model Number WZT50
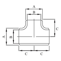
- Pipe Size (inch) 2
- Outer Diameter (A) mm 60.5
- Inner Diameter (B) mm 52.9
- Center To End (C) mm 63.5
- Wall Thickness 3.8
- Approx. Weight kg/pc 0.9
- Type Equal Tee
- Pipe Fitting Connection Buttweld
SKU: A0078389
AAP 2" Equal Tee Buttweld SGP JIS 2311 WZT50
AAP - Tee - Buttweld
$13.64
SAVE $12.60 (48%)
