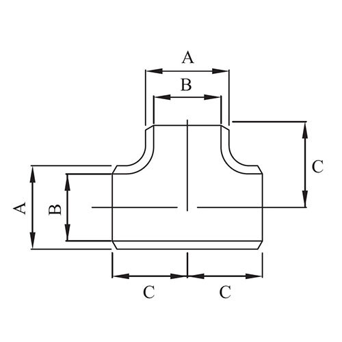
Specifications
- AIMS SKU A0080764
- Brand AAP
- Model Number SWT4031632
- Pipe Size (inch) 1-1/4
- Outer Diameter (A) mm 42.2
- Inner Diameter (B) mm 35.1
- Pipe Size (mm) 32
- Approx. Kg/pc 0.6
- Thickness 3.55
- Center To End ( C ) 48
- Type Equal Tee
- Pipe Fitting Connection Buttweld
- Fitting Schedule/class Schedule 40
- Fitting Material 316 Stainless Steel
SKU: A0080764
AAP 1-1/4", 32mm Equal Tee Buttweld 316/316L SS Sch 40 SWT4031632
AAP - Buttweld - Equal Tee
$38.52
