Skip to main content

Description

*** JTEKT (Formerly Koyo Brand) ***

Tapered Roller Bearing Metric - 30200 Series

  • Metric.
  • 30200 Series.

About Spherical Roller Bearings

  • Tapered roller bearings are designed such that outer ring, inner ring and rollers have tapered surfaces whose apexes converge at a common point on the bearing axis.
  • Along with metric series bearings, inch series bearings are also available.
  • This type of bearing is suitable for applications that involve heavy or impact loading.

 Single-Row Tapered Roller Bearings

  • Able to carry radial and axial load in one direction simultaneously.
  • Because an axial component of force is produced when this type of bearing is loaded radially, two bearings are used together facing one another, or two or more bearings are matched and used.
  • There are the standard, medium and steep type which are different in contact angle size.
  • Medium-tapered metric series bearings are identified by the supplementary code "C" which is added as a suffix to bearing numbers.
  • Bearings whose outer ring width, outer ring small inside diameter and contact angle are determined in accordance with ISO 355 specifications are identified by the supplementary code "J" as a suffix.
  • Inner ring assemblies and the outer rings of such bearings are interchangeable with those of bearings produced abroad if the bearing numbers are the same.

Features of Spherical Roller Bearings

  • The inner ring assembly of a tapered roller is referred to as the cone, while the outer ring is called the cup.
  • Tapered rollers are guided by the cone back face rib.
  • This bearing design is suitable for heavy radial loading and a sizeable amount of axial loading.
  • The taper of the rollers and the cone raceways have a common apex on the bearing axis.
  • The angle between the cup raceway and the bearing axis is the contact angle.
  • The larger the contact angle the greater the bearings axial load capacity.
  • The cone and cup are separable simplifying bearing mounting.
  • Single row bearings can accommodate radial load and axial load in one direction.
  • Two single row bearings are used opposing each other to simplify setting of the proper clearance between the two rows.
  • The two row design can handle radial load and an axial load in either direction.
  • The two row design is available as a TDO (double outer race), or a TDI (double inner race).
  • Two row taper designs are normally supplied with spacers to provide a pre-adjusted assembly.
  • The four row design is commonly used on rolling mill roll necks for their large load carrying capacity.
  • Cages used can be a pressed steel or a pin type.
  • Cage types can be pressed steel, machined copper alloy

Main Applications

  • Automotive: Front and rear wheels, transmissions, differential pinion.
  • Off-Highway Vehicles: Railroad, Construction, and Agricultural equipment.
  • Industrial: Rolling mill equipment, gear boxes, and machine tool spindles.

Specifications

  • AIMS SKU A0153438
  • Brand Koyo
  • Model Number 30203JR/KOYO
  • Load Center (mm) A 10.1
  • Limiting Speed (min-1) Grease Iub 10000
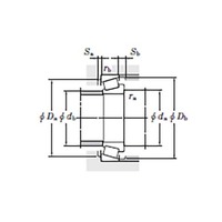
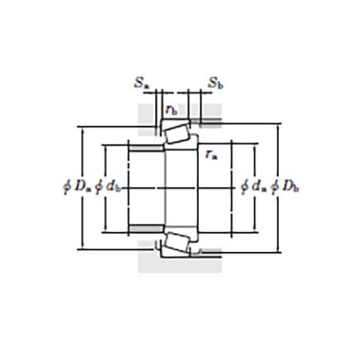
  • Mounting Dimension (mm) Sb Min. 2
  • Mounting Dimension (mm) Sa Min. 2
  • Mounting Dimension (mm) Db Min. 37
  • Mounting Dimension (mm) Db Max. 23
  • Basic Load Rating (kn)c0r 20.7
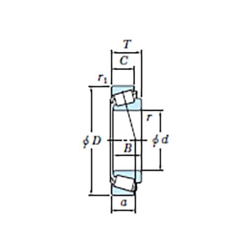
  • Boundary Dimension (mm) C 11
  • Bearing Width T (mm) 13.25
  • Axial Load Factor Y0 0.96
  • Axial Load Factor Y1 1.74
  • Constant E 0.35
  • Limiting Speed (min-1) Lub. Oil 14000
  • Bore Diameter x Outer Diameter x Width (mm) 17 x 40 x 13.25
  • Mounting Dimension (mm) Da Min 33
  • Boundary Dimension (mm) r min. 1
  • Mounting Dimension (mm) Rb Max. 1
  • Mounting Dimension (mm) Ra Max. 1
  • Mounting Dimension (mm) Da Max. 34.5
  • Mounting Dimension (mm) Da Min. 22.5
  • Fatigue Load Limit (kN) Cu 2.85
  • Basic Load Rating (kN) Cr 26
  • Boundary Dimension (mm) r1 min. 1
  • Bearing Width B (mm) 12
  • Outside Diameter D (mm) 40
  • Bore Diameter d (mm) 17
  • Type Tapered Roller Bearings
  • Series 30200 Series
SKU: A0153438

Koyo/JTEKT 30203JR Tapered Roller Bearing - Metric 17 x 40 x13.25mm

Tapered Roller Bearing Metric - 30200 Series

Choose a different size/variant

Calculate Shipping

Browse other products under

Tapered Roller Bearings

Browse other products by

Koyo

Reviews

Write a product review!

Help other AIMS Industrial Supplies users shop smarter by writing reviews for products you have purchased.

Write a product review