Specifications
- AIMS SKU A0154016
- Brand NSK
- Model Number 1211/NSK
- Basic Load Rating Cr (N) 26900
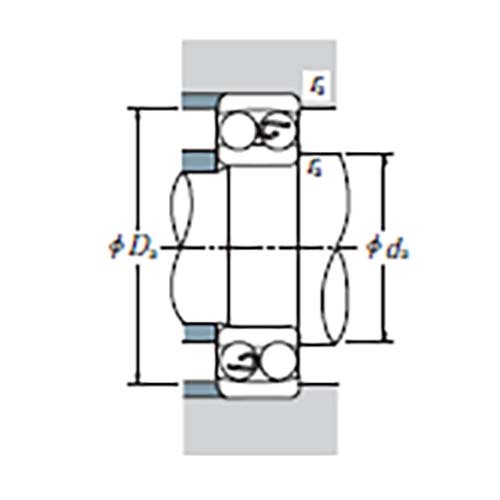
- Outer Diameter D (mm) 100
- Axial Load Factors Y0 3.3
- Axial Load Factors Y3 3.2
- Axial Load Factors Y2 4.9
- Limiting Speeds Oil 7100
- Limiting Speeds Grease 6000
- Basic Load Rating C0r(kgf) 1020
- Basic Load Rating Cr (kgf) 2750
- Basic Load Rating C0r(N) 10000
- Bore Diameter x Outer Diameter x Width (mm) 55 x 100 x 21
- ra max. 1.5
- Width B (mm) 21
- da Max. 92
- da Min. 63
- Bore Diameter d (mm) 55
- R 1.5
- E 0.2
- Mass (kg) 0.705
- Type Self Aligning Ball Bearings
- Series 1200-1300 Series
SKU: A0154016
NSK 1211 Self Aligning Ball Bearing Cylindrical Bore 55 x 100 x 21mm
Self Aligning Ball Bearing Cylindrical Bore
$199.95
