Specifications
- AIMS SKU A0104847
- Brand FYH
- Model Number SB201-8/FYH
- Dynamic Radial Load Rating 9.55
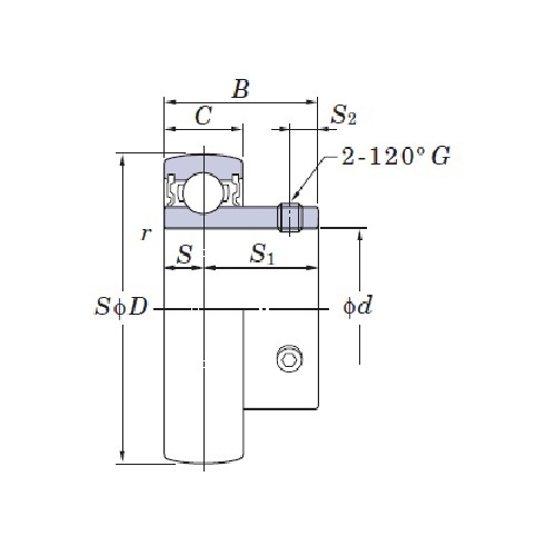
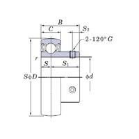
- C (inch) 0.472
- r (min) inch 0.024
- S (inch) 0.236
- S1 (inch) 0.63
- S2 (inch) 0.157
- Static Radial Load Rating 4.8
- Shaft Diameter (d) inch 1/2
- Nominal Bearing Outer (D) inch 1.575
- Nominal Inner Ring Width (B) inch 0.866
- Type Ball Bearing Inserts
- System of Measurement Imperial
- Series SB200
- Item Type Grub Screw Ball Bearing
SKU: A0104847
FYH Ball Bearing Inserts SB201-8 Grub Screw, 1/2'' Shaft Diameter
Ball Bearing Inserts SB200 Series Grub Screw
$19.56
