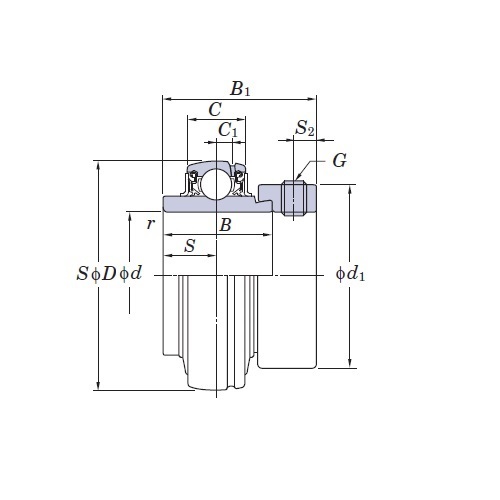
Specifications
- AIMS SKU A0104873
- Brand FYH
- Model Number NA205-16/FYH
- Dynamic Radial Load Rating 14
- C (inch) 0.669
- C1 (inch) 0.197
- r (min) inch 0.039
- S (inch) 0.689
- S2 (inch) 0.189
- Static Radial Load Rating 7.85
- Shaft Diameter (d) inch 1
- Nominal Bearing Outer (D) inch 2.047
- Nominal Inner Ring Width (B) inch 1.374
- Nominal Bearing Bore (d1) inch 1.5
- Type Ball Bearing Inserts
- System of Measurement Imperial
- Series NA200
- Item Type Eccentric Ball Bearings
SKU: A0104873
FYH Ball Bearing Inserts NA205-16 Eccentric Collar, 1'' Shaft Diameter
Ball Bearing Inserts NA200 (UEL) Series Lock Collar
$38.52
