Skip to main content

Description

*** JTEKT (Formerly Koyo Brand) ***

Deep Groove Ball Bearing Non-Contact Rubber Seal - 6800 Series

  • Deep groove ball bearing non-contact rubber seal.
  • 6800 Series.

About Deep Groove Ball Bearing

  • Deep groove ball bearings are available in a variety of sizes and are the most popular of all rolling bearings.
  • This type of bearing supports radial load and a certain degree of axial load in both directions simultaneously.

Shielded/sealed type

  • Simplifies the sealing structure of applications.
  • Greasing is not necessary because bearings are pre-lubricated.

With locating snap ring

  • Bearings with a locating snap ring can be fitted to the housing easily, as the locating snap ring facilitates axial positioning.

Extra-small ball bearings and miniature ball bearings

  • The open type is widely used. Also available are the shielded/sealed type and the flanged type; the latter is easily positioned in the axial direction.

Features Deep Groove Radial Bearing

  • Type: Open Type, Shielded/ sealed type, With locating snap ring, Maximum type, and Double-row.
  • The most popular rolling bearing type used in a wide variety of industries and applications.
  • The inner and outer rings have deep uninterrupted grooves.
  • They can support radial loading and a certain degree of axial loading in either direction
  • High-speed capability.
  • The Maximum style not to be used when axial loading or high speed is involved.
  • Sealed and shielded types are filled with an appropriate volume of grease.
  • Bearings with a locating snap ring aid axial positioning and eliminate the need for housing shoulder.
  • Cages can be a pressed steel, machined copper alloy, molded polyamide, synthetic resin, pressed stainless sheet steel

Main Applications

  • Automotive: Transmissions, electrical devices, truck, and trailer equipment.
  • Off-Highway Vehicles: Construction equipment, agricultural equipment, railroad rolling equipment.
  • Electrical Equipment: Standard motors, electric appliances for domestic use
  • Other: Measuring instruments, medical instruments, and miscellaneous industrial equipment.

Specifications

  • AIMS SKU A0153275
  • Brand Koyo
  • Model Number 6809-2RU/KOYO
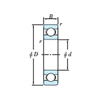
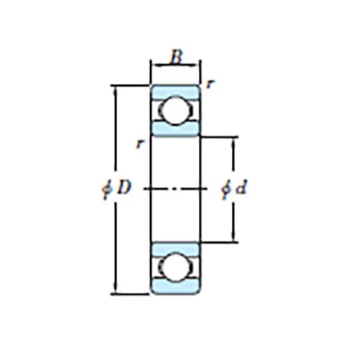
  • Bore Diameter x Outer Diameter x Width (mm) 45 x 58 x 7
  • Bore Diameter d (mm) 45
  • Outside Diameter D (mm) 58
  • Bearing Width B (mm) 7
  • Basic Load Rating (kN) Cr 7.75
  • Basic Load Rating (kN) C0r 5.4
  • Fatigue Load Limit (kN) Cu 0.23
  • Factor F 0 16.3
  • Boundary Dimension (mm) r min. 0.3
  • Limiting Speed (min-1) Grease lub. (RU, 2RU) 11000
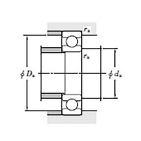
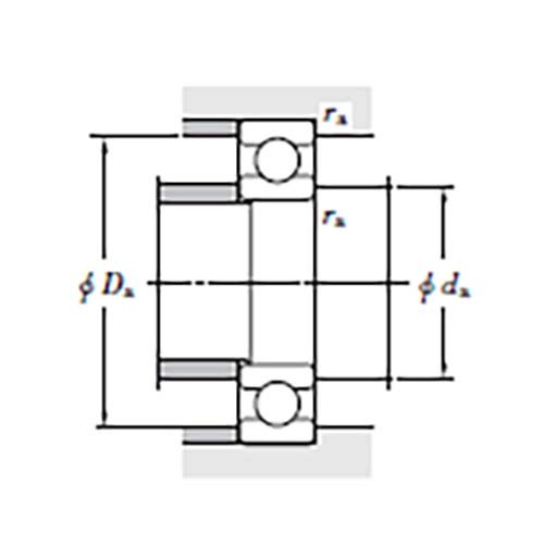
  • Mounting Dimension (mm) Da Min 47
  • Mounting Dimension (mm) Da Max 56
  • Mounting Dimension (mm) Ra Max 0.3
  • Type Deep-Groove Ball Bearings
  • Series 6800 Series
SKU: A0153275

Koyo/JTEKT 6809-2RU Deep Groove Ball Bearing Non-Contact Rubber Seal 45x58x7mm

Deep Groove Ball Bearing Non-Contact Rubber Seal - 6800

Choose a different size/variant

Calculate Shipping

Browse other products under

Deep Groove Bearings

Browse other products by

Koyo

Reviews

Write a product review!

Help other AIMS Industrial Supplies users shop smarter by writing reviews for products you have purchased.

Write a product review