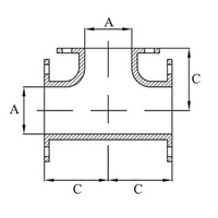
Specifications
- AIMS SKU A0078022
- Brand AAP
- Model Number IT8050
- Pipe Size (inch) 3 x 2
- Inner Diameter (B) mm 52.5
- Pipe Size (mm) 80 x 50
- Approx. Kg/pc 7.8
- C 85.9
- C2 82.6
- Inner Diameter (A) mm 60.3
- Type Flanged Reducing Tee
- Fitting Material Finish Galvanised
SKU: A0078022
AAP 3" x 2" Flanged Reducing Tee Type-D Galvanised IT8050
AAP flanged Reducing Tee
$483.29
