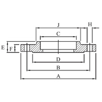
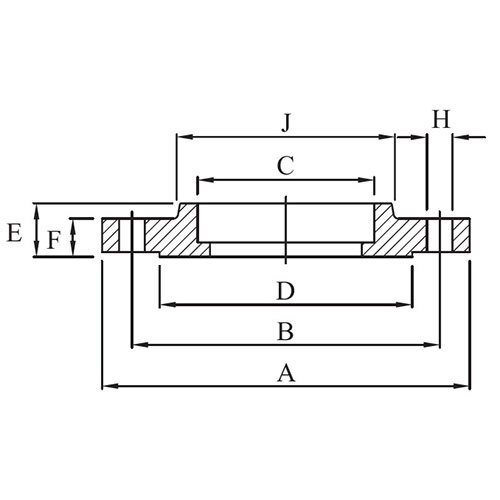
Specifications
- AIMS SKU A0078890
- Brand AAP
- Model Number PF15S
- Pipe Size (inch) 1/2"
- Approx. Weight kg/pc 0.5
- Flange Outside Diameter (A) 89
- Flange Thickness (F) 11.1
- Flange Raised Face Diameter (D) 35
- Flange Raised Faced Thickness 1.6
- Drilling Bolt Circle Diameter (B) 60.3
- Drilling Holes Diameter (H) 16
- Drilling No. Of Holes 4
- Drilling Bolt Size 1/2"
- Hub Diameter (J) 30.2
- Bore Slip-on Socket Length (C) 22.3
- Slip-on Length (C) 15.9
- Depth Of Socket 9.6
- Type Socket Weld Flange
- Fitting Schedule/class C150
SKU: A0078890
AAP 1/2" Socket Weld Flange ANSI B16.5 C150 PF15S
AAP - Socket Weld flange
$8.22
SAVE $7.58 (48%)
