Specifications
- AIMS SKU A0078295
- Brand AAP
- Model Number WT15
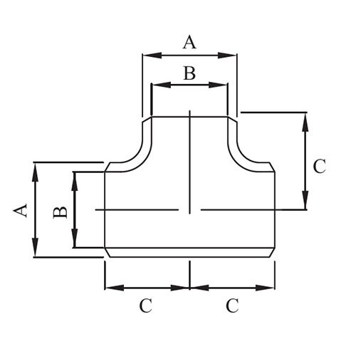
- Pipe Size (inch) 1/2
- Outer Diameter (A) mm 22
- Inner Diameter (B) mm 15.7
- Center To End (C) mm 25
- Wall Thickness 2.9
- Approx. Weight kg/pc 0.1
- Type Equal Tee
- Pipe Fitting Connection Buttweld
SKU: A0078295
AAP 1/2" Equal Tee Buttweld STD ASTM A234 WT15
AAP - Tee - Buttweld
$5.69
SAVE $5.24 (48%)
